今すぐお問い合わせ
製品の特徴:
精密に機械加工された歯構造により、ベルトとプーリー間のしっかりとした噛み合いが確保され、滑りやずれが効果的に防止されます。
正確な伝達比により、高い位置決め精度が求められる軽量搬送装置に最適です。
歯ピッチや仕様は国際規格(MXL、XL、L、Hなど)に準拠しており、簡単に交換・互換性があります。
伝送効率は98%を超え、電力損失は最小限に抑えられます。
スムーズな噛み合い、低振動、低騒音で動作するため、オフィスや食品加工などの騒音に敏感な環境に最適です。
低摩擦設計によりベルトとプーリーの摩耗が軽減され、耐用年数が延びます。
標準穴、キー溝、セットスクリュー、拡張スリーブなど、さまざまな取り付けインターフェイスが用意されています。
コンパクトな設計により、コンベア システムへの統合が容易になり、機器のスペースを節約できます。
大規模な機器分解をすることなく、交換が簡単です。
複数のピッチ(MXL 2.032mm、XL 5.08mm、L 9.525mm)で信頼性の高い動力伝達ソリューションを提供し、中程度のトルク伝達、軽荷重搬送、高速用途向けに設計されています。精密に設計されたMXL構成は、小型機器の高速駆動要件に対応します。汎用性の高いXLプロファイルは、多様な高速シナリオに適しています。一方、堅牢なLシリーズ構造は、強化された構造的完全性と優れた直線速度許容度を兼ね備えています。これらのプーリーは、自動化ライン、小型機械、およびマテリアルハンドリングシステムに最適なソリューションです。
タイミングプーリーMXL
| タイプ | 材料 | 表面処理 | ||||
| ベルト幅: 4.8mm(3/16インチ) | ベルト幅: 6.4mm (1/4インチ) | ベルト幅: 9.5mm(3/8インチ) | ベルト幅: 12.7mm(1/2インチ) | 滑車 | フランジ | |
| A:6 W:10 L:16.5 | A:7.5 W:11.5 L:18 | A:11 W:15 L:22 | A:14 W:1 9 L:25 | |||
| AW**MXL019 | AW**MXL025 | AW**MXL037 | AW**MXL050 | 6061 | 6061 | 天然アルマイト処理 | 
| AB**MXL019 | AB**MXL025 | AB**MXL037 | AB**MXL050 | 黒色アルマイト処理 | ||
| AH**MXL019 | AH**MXL025 | AH**MXL037 | AH**MXL050 | ハードアルマイト処理 | ||
| AN**MXL019 | AN**MXL025 | AN**MXL037 | AN**MXL050 | ニッケルメッキ | ||
| - | SF**MXL025 | SF**MXL037 | - | S45C | S45C | 黒色酸化皮膜 | 
| - | SN**MXL025 | SN**MXL037 | - | ニッケルメッキ | ||
| - | SU**MXL025 | SU**MXL037 | - | SUS303 | - | |
タイミングプーリーXL
| タイプ | 材料 | 表面処理 | ||||
| ベルト幅: 6.4mm(1/4インチ) | ベルト幅: 7.9mm (5/16インチ) | ベルト幅: 9.5mm(3/8インチ) | ベルト幅: 12.7mm(1/2インチ) | 滑車 | フランジ | |
| A:7.5 W:12.5 L:21 | A:9 W:14 L:23 | A:11 W:16 L:25 | A:14 W:19 L:28 | |||
| AW**XL025 | AW**XL031 | AW**XL037 | AW**XL050 | 6061 | 6061 | 天然アルマイト処理 | 
| AB**XL025 | AB**XL031 | AB**XL037 | AB**XL050 | 黒色アルマイト処理 | ||
| AH**XL025 | AH**XL031 | AH**XL037 | AH**XL050 | ハードアルマイト処理 | ||
| AN**XL025 | AN**XL031 | AN**XL037 | AN**XL050 | ニッケルメッキ | ||
| SF**XL025 | - | SF**XL037 | SF**XL050 | S45C | SPCC | 黒色酸化皮膜 | 
| SN**XL025 | - | SN**XL037 | SN**XL050 | ニッケルメッキ | ||
| SU**XL025 | - | SU**XL037 | SU**XL050 | SUS303 | - | |
タイミングプーリーL
| タイプ | 材料 | 表面処理 | ||||
| ベルト幅: 12.7mm(1/2インチ) | ベルト幅: 19.1mm (3/4インチ) | ベルト幅: 25.4mm(1インチ) | ベルト幅: 38.1mm(1.5インチ) | 滑車 | フランジ | |
| A:14 W:19 L:31(39) | A:21 W:26 L:38(46) | A:27 W:32 L:44(53) | A:40 W:45 L:57 | |||
| AW**L050 | AW**L075 | AW**L100 | AW**L150 | 6061 | 6061 | 天然アルマイト処理 | 
| AB**L050 | AB**L075 | AB**L100 | AB**L150 | 黒色アルマイト処理 | ||
| AH**L050 | AH**L075 | AH**L100 | AH**L150 | ハードアルマイト処理 | ||
| AN**L050 | AN**L075 | AN**L100 | AN**L150 | ニッケルメッキ | ||
| SF**L050 | SF**L075 | SF**L100 | SF**L150 | S45C | SPCC | 黒色酸化皮膜 | 
| SN**L050 | SN**L075 | SN**L100 | SN**L150 | ニッケルメッキ | ||
タイミングプーリーH
| タイプ | 材料 | 表面処理 | ||||
| ベルト幅: 19.1mm(3/4インチ) | ベルト幅: 25.4mm (1インチ) | ベルト幅: 38.1mm(1.5インチ) | ベルト幅: 50.8mm(2インチ) | 滑車 | フランジ | |
| A:21 W:26 L:41 | A:27 W:32 L:47 | A:40 W:45 L:60 | A:54 W:59 L:74 | |||
| AW**H075 | AW**H100 | AW**H150 | AW**H200 | 6061 | 6061 | 天然アルマイト処理 | 
| AB**H075 | AB**H100 | AB**H150 | AB**H200 | 黒色アルマイト処理 | ||
| AH**H075 | AH**H100 | AH**H150 | AH**H200 | ハードアルマイト処理 | ||
| AN**H075 | AN**H100 | AN**H150 | AN**H200 | ニッケルメッキ | ||
| SF**H075 | SF**H100 | SF**H150 | SF**H200 | S45C | SPCC | 黒色酸化皮膜 | 
| SN**H075 | SN**H100 | SN**H150 | SN**H200 | ニッケルメッキ | ||
タイミングプーリーMXL

タイミングプーリーXL

タイミングプーリーL

タイミングプーリーH

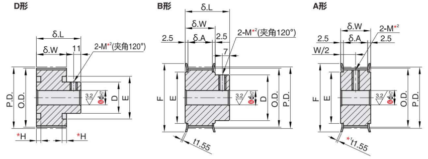
歯形 ①プーリー歯形
Kタイプ B タイプ Aタイプ
           
△の後の数字:歯数:23以下
溝寸法は歯数によって若干異なります。歯ピッチ(2.032mm)
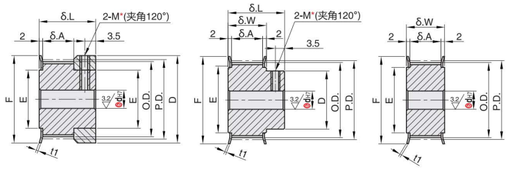
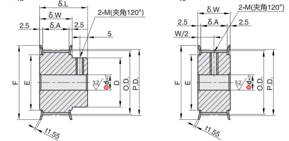
軸穴仕様がH(丸穴)、V、F(段付き穴)、Y(両端段付き穴)の場合、ねじ穴はありません。
シャフト穴内部は表面処理されていない場合があります。
* タイプ A のプーリーで軸穴が P または N の場合、2 つのネジ穴は歯溝の中心から約 120° または 90° の位置にあります。
歯形 ①プーリー歯形
タイプB タイプA
                            
歯溝寸法は歯数によって若干異なります。歯ピッチ(5.08mm)
軸穴仕様がH(丸穴)、V、F(段付き穴)、Y(両端段付き穴)の場合、ねじ穴はありません。
シャフト穴内部は表面処理されていない場合があります。
H寸法: L50 = 5; L075 = 8; L100 = 11
* タイプ A のプーリーで軸穴が P または N の場合、2 つのネジ穴は歯溝の中心から約 120° または 90° の位置にあります。
歯形 ①プーリー歯形
         
         
歯溝寸法は歯数によって若干異なります。歯ピッチ(9.525mm)
60 または 72 歯の場合、t = 2 (カット リブ)。
軸穴仕様がH(丸穴)、V、F(段付き穴)、Y(両端段付き穴)の場合、ねじ穴は存在しません。
シャフト穴内部は表面処理されていない場合があります。
H寸法: L50 = 5; L075-8; L100 = 11
L寸法(括弧内)は歯数60~72の場合です。
* A タイプ構成で P または N タイプの軸穴を持つプーリーの場合、2 つのねじ穴は歯溝の中心から約 120° または 90° の位置にあります。
歯形 ①プーリー歯形
                                      
△の後の数字:歯数:19本以下。
歯数により溝寸法が若干異なります。歯ピッチ(12.7mm)。
38〜50歯の場合、t = 2(リブをカット)。
軸穴仕様がH(丸穴)、V、F(段付き穴)、Y(両端段付き穴)の場合、ねじ穴は存在しません。
シャフト穴内部は表面処理されていない場合があります。
H寸法: H100 = 11; H150 = 14
* タイプ A で軸穴が P または N のプーリーの場合、2 つのネジ穴は溝の中心から約 120° または 90° の位置にあります。