今すぐお問い合わせ
製品の特徴:
低慣性設計: 軽量材料(アルミニウム合金など)で構成されているため、エネルギー消費が削減され、低速から中速、長時間の動作に適しています。
軽荷重に適しています: 最適化された構造により、軽量コンベヤベルトの張力を効果的に伝達し、過度の摩耗を防止します。
駆動電力要件の削減: モーターの負荷を軽減し、エネルギー効率を向上させます。
歯形が同期ベルトに完全に適合し、スリップのない動作と安定した伝達比を保証します。
ベルトの偏りや振動を防止し、搬送物のスムーズな搬送を実現します。
動作音が低いため、静かな生産環境(食品加工工場や電子機器組立室など)に適しています。
正確な歯ピッチ: コンベアの速度と位置の同期を維持し、製品のずれを最小限に抑えます。
高い噛み合い精度: ベルトの摩耗を軽減し、ベルトとプーリーの寿命を延ばします。
長時間連続運転の組立ラインに適しています。
5mmと10mmの標準ピッチ仕様で、コスト効率の高い信頼性を実現します。最適な歯形設計により安定した噛み合い性能を実現し、軽負荷の伝動と標準トルク条件向けに特別に設計されています。
タイミングプーリーT5
| タイプ | 材料 | 表面処理 | ||||
| ベルト幅:10mm | ベルト幅:15mm | ベルト幅:20mm | ベルト幅:25mm | 滑車 | フランジ | |
| A:11 W:16 L:28 | A:17 W:22 L:34 | A:22 W:27 L:39 | A:27 W:32 L:44 | |||
| AW**T5100 | AW**T5150 | AW**T5200 | AW**T5250 | 6061 | 6061 | 天然アルマイト処理 | 
| AB**T5100 | AB**T5150 | AB**T5200 | AB**T5250 | 黒色アルマイト処理 | ||
| AH**T5100 | AH**T5150 | AH**T5200 | AH**T5250 | ハードアルマイト処理 | ||
| AN**T5100 | AN**T5150 | AN**T5200 | AN**T5250 | ニッケルメッキ | ||
| SF**T5100 | SF**T5150 | SF**T5200 | SF**T5250 | S45C | SPCC | 黒色酸化皮膜 | 
| SN**T5100 | SN**T5150 | SN**T5200 | SN**T5250 | ニッケルメッキ | ||
タイミングプーリー T10
| タイプ | 材料 | 表面処理 | ||||||
| ベルト幅:15mm | ベルト幅:20mm | ベルト幅:25mm | ベルト幅:30mm | ベルト幅:40mm | ベルト幅:50mm | 滑車 | フランジ | |
| A:17 W:22 L:37 | A:22 W:27 L:42 | A:27 W:32 L:47(52) | A:32 W:37 L:52(57) | A:43 W:48 L:61(63) | A:53 W:58 L:70 | |||
| AW**T10150 | AW**T10200 | AW**T10250 | AW**T10300 | AW**T10400 | AW**T10500 | 6061 | 6061 | 天然アルマイト処理 | 
| AB**T10150 | AB**T10200 | AB**T10250 | AB**T10300 | AB**T10400 | AB**T10500 | 黒色アルマイト処理 | ||
| AH**T10150 | AH**T10200 | AH**T10250 | AH**T10300 | AH**T10400 | AH**T10500 | ハードアルマイト処理 | ||
| AN**T10150 | AN**T10200 | AN**T10250 | AN**T10300 | AN**T10400 | AN**T10500 | ニッケルメッキ | ||
| SF**T10150 | SF**T10200 | SF**T10250 | SF**T10300 | SF**T10400 | SF**T10500 | S45C | SPCC | 酸化鉄保護フィルム | 
| SN**T10150 | SN**T10200 | SN**T10250 | SN**T10300 | SN**T10400 | SN**T10500 | ニッケルメッキ | ||
タイミングプーリーT5

タイミングプーリー T10

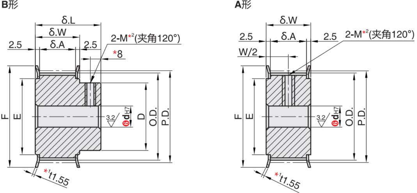
④プーリープロファイル


歯溝寸法は歯数によって若干異なります。歯ピッチ(5mm)
軸穴仕様がH(丸穴)、V、F(段付き穴)、Y(両端段付き穴)の場合、ねじ穴はありません。
シャフト穴内部は表面処理されていない場合があります。
* A タイプのプーリーで軸穴が P 穴または N 穴の場合、2 つのネジ穴は歯溝の中心から約 120° または 90° の位置にあります。
④プーリープロファイル


歯数によって歯ピッチ寸法が若干異なります。歯ピッチ(10mm)
歯数 34、50、60 の場合、t = 2 (旋削フランジ)。
軸穴仕様がH(丸穴)、V、F(段付き穴)、Y(両端段付き穴)の場合、ねじ穴は存在しません。
シャフト穴内部は表面処理されていない場合があります。
歯数 44 ~ 60 の T10250 および T10300 プーリーの場合、穴ピッチは 11 です。T10400 および T10600 プーリーの場合、穴ピッチは (LW)/2 です。
L寸法内の括弧内の寸法は歯数44~60のプーリを示します。
* A 型プーリと P 型または N 型の軸穴を持つプーリの場合、2 つのネジ穴は歯の隙間の中心から約 120° または 90° の位置にあります。