今すぐお問い合わせ
製品の特徴:
高強度材料:耐久性の高い動力伝達同期プーリは、通常、合金鋼やアルミニウム合金などの高強度で耐摩耗性のある材料で作られており、高負荷と高速条件下でも安定性と耐久性を確保します。
精密製造:製造プロセスは厳格な高精度基準に準拠しており、プーリーの歯の形状やピッチなどの主要なパラメータが正確であることを保証し、それによって伝達精度と安定性が向上します。
多様な設計:多様な産業用途のニーズを満たすために、耐久性の高い動力伝達同期プーリは、さまざまな歯のプロファイル、ピッチ、プーリの直径、幅など、さまざまな設計オプションを提供します。
効率的な伝達:同期プーリーは歯付き伝達方式を採用しており、タイミングベルトと併用することで効率的かつ安定した動力伝達を実現します。機械効率は通常0.98以上と高くなっています。
正確な伝達比:タイミング ベルトとプーリーの歯の関係により、耐久性の高い動力伝達同期プーリーは正確な伝達比を提供できます。これは、正確な速度とトルクの制御を必要とするアプリケーションにとって重要です。
滑り止め伝動:同期ベルト伝動システムは滑り止めの特性を備えているため、伝動プロセス中に余分な熱や摩耗が発生しないため、伝動システムの耐用年数が延びます。
ATシリーズ強化台形タイミングプーリー: Tシリーズ技術の進化形。歯形形状の強化と材質の改良により、過酷な動作条件下でも実証済みの信頼性を実現します。高負荷動力伝達および高トルクが求められる産業用途向けに特別に設計されています。
タイミングプーリー AT5/AT10
| タイプ | 材料 | 表面処理 | |||||
| AT5 | AT10 | 滑車 | フランジ | ||||
| ベルト幅:10mm | ベルト幅:15mm | ベルト幅:15mm | ベルト幅:20mm | ベルト幅:25mm | |||
| A:11.6 W:16.5 L:25(27/29) | A:16.6 W: 21.5 L: 30(32/34) | A:16.5 W:22.5 L:38(40) | A:21.5 W:27.5 L:43(45) | A:26.5 W:32.5 L:48(50) | |||
| AW**AT5100 | AW**AT5150 | AW**AT10150 | AW**AT10200 | AW**AT10250 | 6061 | 6061 | 天然アルマイト処理 | 
| AB**AT5100 | AB**AT5150 | AB**AT10150 | AB**AT10200 | AB**AT10250 | 黒色アルマイト処理 | ||
| AH**AT5100 | AH**AT5150 | AH**AT10150 | AH**AT10200 | AH**AT10250 | ハードアルマイト処理 | ||
| AN**AT5100 | AN**AT5150 | AN**AT10150 | AN**AT10200 | AN**AT10250 | ニッケルメッキ | ||
| SF**AT5100 | SF**AT5150 | SF**AT10150 | SF**AT10200 | SF**AT10250 | S45C | SPCC | 黒色酸化皮膜 | 
| SN**AT5100 | SN**AT5150 | SN**AT10150 | SN**AT10200 | SN**AT10250 | ニッケルメッキ | ||
タイミングプーリー AT5/AT10


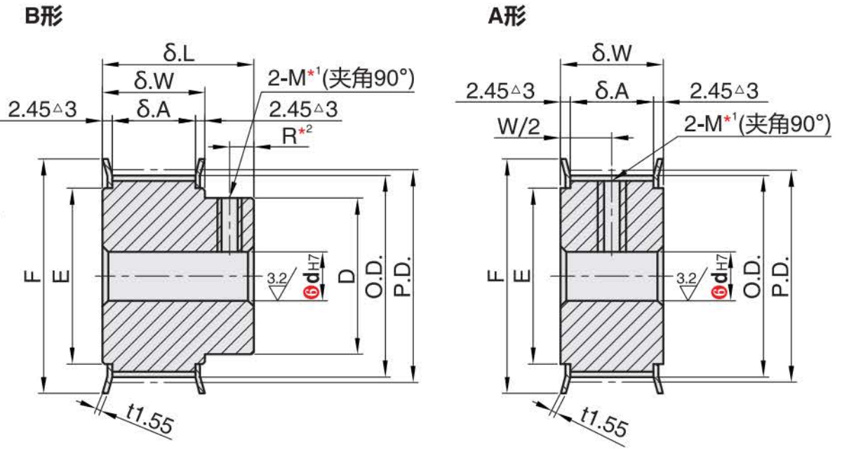
④プーリープロファイル


歯数により歯溝寸法が若干異なります。AT5歯ピッチ(5mm);AT10歯ピッチ(10mm);
図中の三角形の後の数字はAT10タイプを示します。
軸穴仕様がH(丸穴)、V、F(段付き穴)、Y(両端段付き穴)の場合、ねじ穴はありません。
シャフト穴内部は表面処理されていない場合があります。
AT5: R=4 (歯数 15-16); R=5 (歯数 18-28);
R=6(歯数30~60)
AT10:R=8(歯数14~48)
* タイプ A で軸穴が P または N のプーリーの場合、2 つのネジ穴は歯溝の中心から約 120° または 90° の位置にあります。